0товаров, на сумму
0 ₽
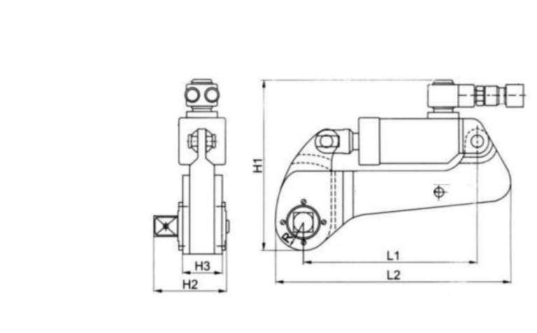
Гайковерт динамометрический гидравлический высокомощный серии RTE – это профессиональный инструмент, разработанный для выполнения сложных задач в промышленности и строительстве. Изготовленный из высокопрочной легированной стали на обрабатывающем центре с ЧПУ, он обеспечивает надежность и долговечность даже при интенсивной эксплуатации.
Преимущества

При безналичной оплате, через банк, заказ отгружается только после зачисления денег на банковский счет компании ООО "Прума.ру", если иное не обусловлено договором. При получении товара необходимо предоставить доверенность по форме М-2 либо поставить круглую печать организации на сопроводительные документы.
Вы оплачиваете заказ наличными в точке выдачи в момент получения заказа. От Вас потребуется либо доверенность по форме М-2, либо заверить документы круглой печатью организации и документ подтверждающий личность.
Документы оформляются от ИП, Счет-фактура не предоставляется, так как применяется упрощенная система налогообложения.
Забрать заказ можно по адресу:
г. Екатеринбург, ул. Первомайская, 109, офис 406.
Пн-Пт 9-00 18-00 .
Осуществляем доставку оплаченного товара по России посредством транспортных компаний
Транспортную компанию выбирает покупатель
Доставку оплачивает покупатель.
Бесплатно до любой транспортной компании
Бесплатно до клиента при сумме заказа более 100 000 руб
Поставляемый товар, цены, наличие и акции могут отличаться в других регионах.
Вы всегда можете поменять регион на сайте. Товары доставляются в любой город РФ.